■ SCHEMATIC SYMBOL

■ ORDER CODES
HGP-55AI - F 80 55 R - Z1 - 4BD - P2
1 - 2 3 3 4 - 5 - 6 - 7
1. Model Name : HGP-55AI
2. Mounting :
F: flange type
3. Delivery Capacity :
22, 26, 33, 44, 48, 55, 63, 75, 80, 90
4. Rotation Direction :
R: clockwise
L: counter-clockwise
5. Shaft Type :
X: straight shaft
Y: spline shaft
Z: taper shaft
6. Flange Mounting Type :
4BD: DIN 4-bolt
7. Inlet and Outlet :
F: flange type (F1~F7)
G: PF, G, BSPP (G1~G4)
P: PT (P1~P2)
N: NPT (N1~N2)
U: UNF(U1~U6)
■ SPECIFICATIONS
| Model | Accurate Displacement Capacity ( cc/rev ) |
Operating Pressure ( kgf/cm2 ) |
Max. Pressure ( kgf/cm2 ) |
Speed ( r.p.m. ) |
Weight ( kg ) |
|
|---|---|---|---|---|---|---|
| Loaded | Unloaded | |||||
| HGP-55AI-2222 | 22+22 | 280 | 300 | 3000 | 500 | |
| HGP-55AI-2626 | 26+26 | 280 | 300 | 3000 | 500 | |
| HGP-55AI-3333 | 33+33 | 280 | 300 | 3000 | 500 | |
| HGP-55AI-4444 | 44+44 | 240 | 300 | 3000 | 500 | |
| HGP-55AI-4848 | 48+48 | 240 | 300 | 3000 | 500 | |
| HGP-55AI-5555 | 55+55 | 210 | 250 | 3000 | 500 | |
| HGP-55AI-6363 | 63+63 | 190 | 240 | 2750 | 500 | |
| HGP-55AI-7575 | 75+75 | 170 | 210 | 2750 | 500 | |
| HGP-55AI-8080 | 80+80 | 170 | 210 | 2500 | 500 | |
| HGP-55AI-9090 | 90+90 | 150 | 180 | 2500 | 500 | |
* Weight is for reference.
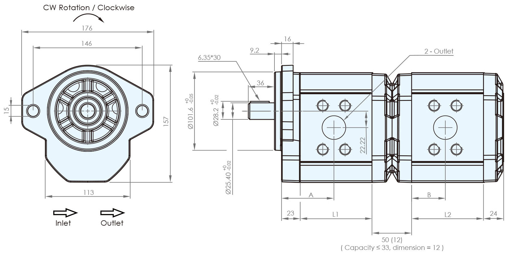
■ DIMENSIONS ( unit : mm )

■ DIMENSION of SHAFT ( unit : mm )

■ INLET & OUTLET SIZE ( unit : mm )


